电风扇工作原理是什么,电风扇工作原理图详解
1、微电脑控制落地式电风扇电路工作原理图
微电脑控制落地式电风扇的电路主要由直流工作电源电路、微电脑控制电路、驱动输出 电路和遥控信号接收电路组成。为了读图方便,我们以美的FS40 -6DR型落地式电风扇电 路图为例,来展开对微电脑控制落地式电风扇的工作原理作一个系统的分析。
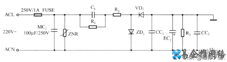
1)直流工作电源电路
直流工作电源电路如图所示,它产生一个+5V的直流电 压,给微处理器提供工作电压。

其工作原理是220V交流电先经电阻R1、R2和电容C1降压,再通过二极管ZD1和VD1整流,再经过电容EC1、CC1、CC2滤波后,输出+5V的直流工作 电压。熔断器串联在交流回路中,起过电流保护作用;电容MC1为抗干扰电容,滤除电网中的杂波信号;压敏电阻ZNR的作用是,当出现电网电压过高或遭雷击时,压敏电阻可击穿 短路后烧断熔断器,从而保护了后级电路不被损坏。
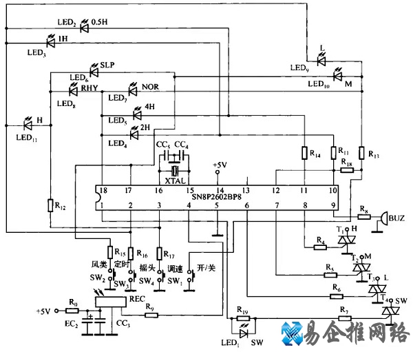
2)微电脑控制电路

微电脑控制电路主要以SN8P2602BP8微处理器为核心,接收并处理按键或遥控信号,根据用户的操作指令输出功 能驱动信号,经双向晶闸管驱动转叶电动机和摇头电动机,实现风速的调节、定时和摇头等。SW1为开/关机、调速按钮;SW2为扇风类型的选择按钮;SW3为定时设置按钮;SW4为摇头按钮。
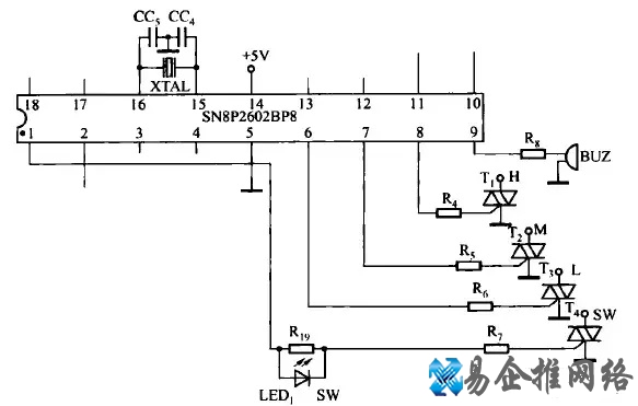
3) 驱动输出电路

主要由4个型号为ZD607的双向晶 闸管T】~T4和电阻R4 -R7组成。从原理图上可以看出,晶闸管T, ^T4的控制极都是由 SN8P2602BP8微处理器的第①、⑥、⑦、⑧脚控制的,当其中任何一个引脚输出高电平触 发时,对应的双向晶闸管就会导通,电动机得电运转。
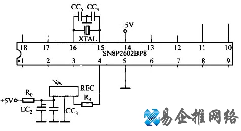
4) 遥控信号接收电路

主要有遥控信号接收头 REC和电阻R9、R。和电容EC?、CC3组成。其作用是接收风扇遥控器发射处来的红外线遥控 信号,并将它转换成电信号送给SN8P2602BP8微处理器的第④脚,再由微处理器内部处理 后,输出相应的功能信号。
2、台式电风扇的电路原理图

台式电风扇的工作原理图如图所示。主要由调速开关、机械定时器和风扇电动机组成。当用户旋动定时开关闭合,按下调速开关时,电动机因得电而运转。
3、鸿运扇的电路工作原理图

上图所示的是美的KYT2-25鸿运扇的电路工作原理图。主要由调速开关、导风开 关、跌倒开关、同步电动机、转叶电动机和定时器组成。电风扇直立时跌倒开关接通,这时打开定时开关,把调速开关调到一个挡位,这时电风扇电动机得电而运转,开始扇风。当按下导风开关时,同步电动机两端通入交流电流而旋转,带动导风窗而导风。
本文地址:百科知识频道 https://www.hkm168.com/zhibai/697664.html,易企推百科一个免费的知识分享平台,本站部分文章来网络分享,本着互联网分享的精神,如有涉及到您的权益,请联系我们删除,谢谢!



相关阅读








