专业IT网络知识平台,分享IT百科知识、生活百科知识解答!

易企推科技
易企推科技
 遵义医学院珠海分校,遵义医学院珠海校区是几本

遵义医学院珠海分校,遵义医学院珠海校区是几本

经教育部批准,日前全国多所高校官宣更名。其中遵义医学院更名为遵义医科大学,珠海校区随之更名为遵义医科大学珠海校区。 12月27日,遵义医学院收到《贵州省人民政府关于遵义医学院更名为遵义医科大学的通知》,教育部同意遵义医学院更名为遵义医科大学。更名后的遵义.....[详细]
数位板多少钱

数位板多少钱

费用 最便宜到最高 画画用的推荐三个牌子A.WACOMB.友基C.汉王A最好,(WACOM手写屏最贵上万元一块!)影拓4代8*6大小的板子2600元。除了影拓系列,其他型号都是512压钱感(如。 恩,关于透写台,我在淘宝网上看到的从100多到400多的都有,但是质量这些就不。 长条形.....[详细]
本田f5多少钱

本田f5多少钱

05年纯水原版原漆原灯本田F5,自己去广东货场提车回家,车况一点问题没。 F5这款车 还是不错的 很多车友 都选择玩这款车费用 主要是因为 本田的质量过硬 配件多 且便宜 F5这款车 价格从3万~9万多不等(水货价格)你要玩车的话 看根据的具体需求。 一般二手的F4在 3万.....[详细]
唐氏筛查需要多少钱

唐氏筛查需要多少钱

根据做的项目不同价格不同,有的只需要抽一管血,有的要抽7管血,价多少钱格最基本的在二百多,还有四百多的,最贵的药二千多,根据医生看你BC给你开的单子决定价格,。 今儿去妇幼保报巧克力一盒多少钱价健院,大夫说4个王道是什么意思周内价格要做唐氏筛查等,要我.....[详细]
手机卡槽坏了多少钱修

手机卡槽坏了多少钱修

这个要看你是什么手机吧!手机便钱宜,修手机也用不了多钱,但是如果手机比较贵,那你修手机的成本也就提高了!但是基本100左右肯定能搞定的,希望能够帮到你 卡槽2换了 我是做手机维修的 一般要看你是什么苹果机 我们报价都是机在一千三百块以内的报。 很都时候都是.....[详细]
春雨水乳一套多少钱

春雨水乳一套多少钱

酵素水乳一套价格 亲爱的,酵素水乳统一零售价是316一套,可以单买,水158,乳158,分别针对不同皮肤有两款,根据自己的肤质而选择的 面部护理五件套吧,我们公司的代理商在实体店私生饭是什么意思一套是218左右,专柜正品品质。但是厂家市场价298 颐莲 吴昕代言的国.....[详细]
护照需要多少钱

护照需要多少钱

我现在读初三,以后想去新加坡读大学,是不是现在就要准备? 办理出国护照费用是人民币200元,需要15天。 200元 怎么办,要多久,我要办工作签,我是湖北的,办哪个国家好办点? 护照和签证必须分开办,而且办理护照必须本人亲自去办理! 申领护照程序: 一、申请材.....[详细]
伽力王多少钱一盒

伽力王多少钱一盒

玛卡一盒要一百多块钱。 黑魔鬼 是Heupink & Bloemen公司推出Black Devil品牌的第二种产品。甜巧克力,先在日本上市。由于日本厚生劳动省要求香烟外包装必须标注吸烟危害健康的字样,所以。 玛卡也是一种保健品,大概在500~7价格00左右,如果你卟方便去在外面买,可.....[详细]
 站长博客有哪些,站长博客可以赚钱吗?

站长博客有哪些,站长博客可以赚钱吗?

站长曾经是互联网上最活跃的一群人,站长博客开启了最原始的自媒体时代。虽然现在都已经没落了,但也还有那么一些没落的贵族,依然在坚守着属于站长的一片净土,依然传递着有价值的知识和经验。本期淘站目录就从 站长自媒体 博客的视角,精选最值得站长收藏和阅读的十.....[详细]
 王者荣耀修炼之路在哪里(王者荣耀修炼之路入口介绍)

王者荣耀修炼之路在哪里(王者荣耀修炼之路入口介绍)

大家好,这里是指尖上的王者,一提到 王者荣耀 中比较给力的活动大家能想到哪些呢?笔者的心里像神秘商店、消耗钻石、周年免费限定皮肤之类的活动都能脱口而出,而当年让玩家受益颇多的修炼之路却很少被提及,不是活动不给力,而是因为太久没有登录了。 体验服刚刚发布.....[详细]
做透析多少钱

做透析多少钱

你好,尿毒症只有换肾和女人如何怀孕血透两种办法。血透两天或者三天一促排卵针多少钱一支次(根据病人情况确定)。每月费用大概2000多元(各地方各医院有所不同)。还可以办理慢病补贴。 如果你是在本县城的话,做一次透析要300.如果要用药的话就差不多500.在自己县城.....[详细]
 乐器包厂家,国际品牌乐器包批发!

乐器包厂家,国际品牌乐器包批发!

相信很多朋友们在看到这个标题后都觉得很诧异,What?嫌弃我们的乐器包质量太好?有木有搞错?其实 乐器包厂家 听到区域经理说这个事情的时候,内心也是崩溃的。不过世界之大,无奇不有,凡事定有缘由,且听我慢慢道来! 乐器包厂家 客户是玩电吉他的,2010年在金川买.....[详细]
 十大水槽品牌排行榜,厨房水槽中国十大名牌

十大水槽品牌排行榜,厨房水槽中国十大名牌

水槽按工艺来区分,分别有手工盘和拉伸盘 水槽按功能区分,分别有单槽、双槽、三槽:厨房应该安装单槽、双槽。三槽主要是看厨柜的面积而定。 建议选择水槽时主要注意以下几点: 1、是否304不锈钢制作而成 2、钢板厚度 3、表面工艺 4、其他功能性 例如:欧琳水槽洗碗机.....[详细]
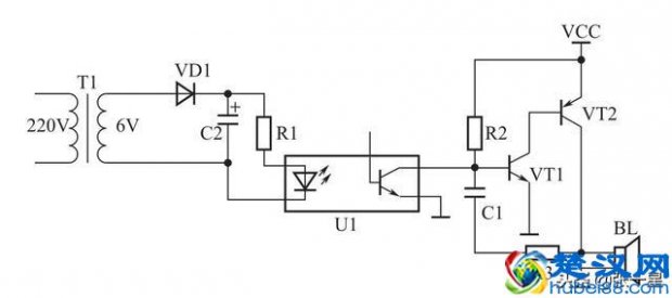
 变压器报警器价格,变压器报警器厂家!

变压器报警器价格,变压器报警器厂家!

1.电路 停电报警器电路图 2.元器件清单 3.一起来分析 电路分为两部分,分为检测与报警电路。报警部分工作原理参照第一章电子门铃中报警部分的原理。重点是检测电路,交流适配器输出6V,经过二极管VD1整流,电容C1滤波(整流滤波后面后讲解), 可以获得比较稳定的直流.....[详细]
 上海江城医院皮肤科靠谱吗,江城皮肤医院是正规医院吗

上海江城医院皮肤科靠谱吗,江城皮肤医院是正规医院吗

【 打造上海皮肤病权威医院--上海江城皮肤病医院 】 专家团队 :上海江城皮肤病医院一直拥有着强大的医师团队,这是一支由国务院特殊津贴专家、教授及硕士研究生及高级职称医师组成的疑难病症攻关型队伍.全院500余名职工之中,医疗专业技术人员占80%,其中主任医师、教授、.....[详细]
 粗斑魔尾鱼有什么好处,无尽之海鳐鱼钓不到了

粗斑魔尾鱼有什么好处,无尽之海鳐鱼钓不到了

在海洋中有这么一类鱼被统称为石斑鱼,已有记录的近100多种,其中在我国东南沿海、北部湾及南沙群岛广泛分布着其中的10属67种。俗话说龙生九子各有不同,在石斑鱼大家族中有的周身色彩艳丽斑点貌若天仙,有的色温性和静若处子,更有的形怪色异,凶狠残暴。同一个名称不.....[详细]
壁挂锅炉多少钱

壁挂锅炉多少钱

一台壁挂炉价格大概5000-10000不等,单单的说壁挂炉多少钱一信息网台,问题也有点含糊,这个要看如何关闭小米所有广告你的房子有多大,适合信徒的意思多大的功率,就拿瑞马壁挂炉来讲,款式都有十几。 以上海100平米的房间为例,如果用天然气,考虑到平均热效率.....[详细]
 远行美谱写远行的诗行(你会发现身边处处是风景)

远行美谱写远行的诗行(你会发现身边处处是风景)

。 晨曦的薄雾,无声的掠过晨光中金色的松赞林寺,一层又一层,风声,是此时唯一的音乐,虽很轻,但是神的音乐并不妨碍我的心领神会,不是所有的音乐,都要配上歌词才能听懂的...... 卡瓦格博(梅里神山)的四周,雪山,白云,蓝天和飘舞的经幡,一股脑地扑面而来,蓝.....[详细]
爱依服一年能赚多少钱

爱依服一年能赚多少钱

您好楼主 假设这个超市开在好地段,即居民区,学校,商圈这些地方,那房费钱是一笔不小的投入,一百平米的超市,一年怎么也得投入八万以上的房费,再说规模中等的,。 大家说说看,你们一年到头能赚多少?随便说一下,我这个服装店以时尚女装。 是啊,有同学说散货小.....[详细]
休闲利群多少钱一包

休闲利群多少钱一包

价格 图片 产品 产品类型 包装规格 参考零售价格 生报价产厂家 小盒条形码:6901028344821 烤烟型 84mm 多少钱硬 800元/条 浙江中烟工业有限责任公司 利群 小盒条形码:。 休闲利群分两种,一种180一包的已经停产,目前在售就100一包了,400一条除了是假烟没别的说法.....[详细]