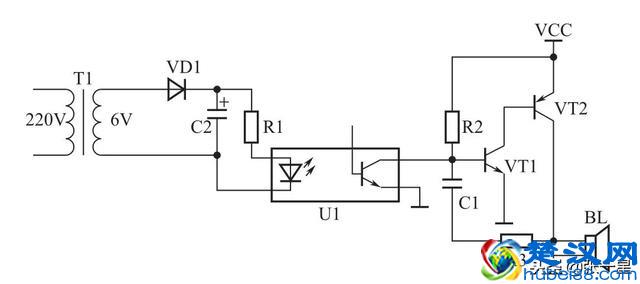
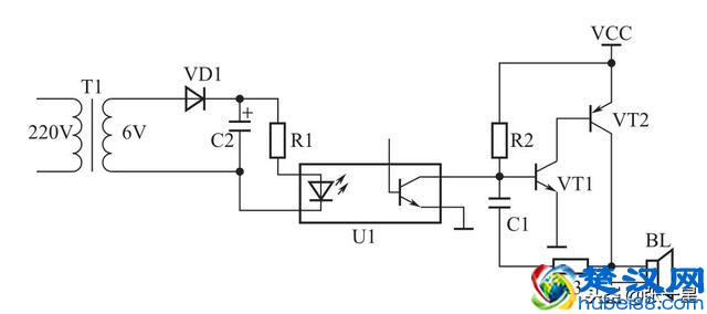
1.电路
停电报警器电路图
2.元器件清单
3.一起来分析
电路分为两部分,分为检测与报警电路。报警部分工作原理参照第一章电子门铃中报警部分的原理。重点是检测电路,交流适配器输出6V,经过二极管VD1整流,电容C1滤波(整流滤波后面后讲解),
可以获得比较稳定的直流电,该直流电通过电阻R1限流,光耦U1内光电三极管导通,三极管VT1基极相当于接到负极而截止,报警部分停止振荡;当停电时,变压器T输出电压为0,光耦U1内光电三极管截止,报警电路恢复正常振荡,扬声器发声。
4.面包板制作展示
“停电报警器”面包板制
本文地址:问答解惑频道 https://www.hkm168.com/live/127879.html,易企推百科一个免费的知识分享平台,本站部分文章来网络分享,本着互联网分享的精神,如有涉及到您的权益,请联系我们删除,谢谢!



相关阅读








